Насос СВН-80 самовсасывающий в алюминиевом исполнении предназначен для перекачивания светлых нефтепродуктов, таких как дизель, бензин, спиртовой группы жидкостей, а также для перекачки воды. Насосы СВН-80 производства УКРНАСОСПРОМ имеют нержавеющие валы, что обеспечивает их долговечность и надежность.
Производительность насоса составляет от 32 до 38 м3/час, а напор - от 26 до 30 метров. Проточная часть насоса выполнена из алюминия, а вал из нержавеющей стали. Насос может вращаться как влево, так и вправо, а его мощность составляет 6,5 кВт. Кавитационный запас не превышает 4,5 метра.
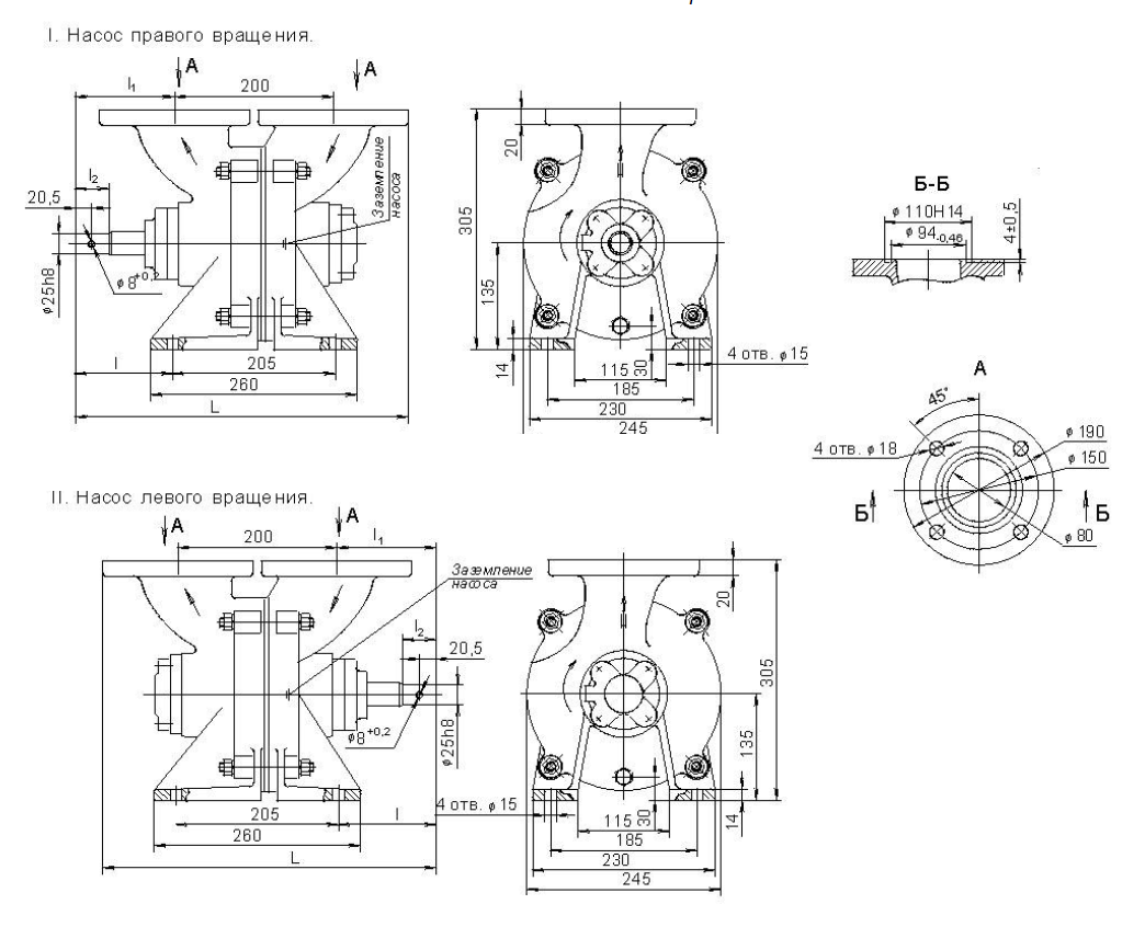
Насос СВН-80 производится в Украине, в городе Полтава, на предприятии ООО «УКРНАСОСПРОМ». В зависимости от завода-изготовителя, он может иметь различные маркировки, такие как СВН-80-Л-У3, СВН-80-П-У3, АСВН-80, СВН-80А, ВС-80.0001, ВС-80.0000, но все они имеют одинаковые габаритно-присоединительные размеры.

Насос СВН-80 широко используется в машинах коммунального и сельского хозяйства для перекачки воды и других жидкостей, а также для проведения полива и орошения сельскохозяйственных угодий с помощью автомашин, транспортных тракторов и других водораздаточных установок.
Привод насоса СВН-80 А (ВС-80) осуществляется от вала отбора мощности (ВОМ) или от двигателя автомобиля (трактора) через коробку отбора мощности и промежуточную трансмиссию. Также насос может быть агрегатирован с электродвигателем мощностью7.5 или 11 кВт в электронасосный агрегат АСВН-80.
Чтобы определить направление вращения насоса, необходимо посмотреть на него сверху. На одном из фланцев (всасывающем) есть срез. Если срез находится со стороны вала, то направление вращения левое, а если с противоположной стороны - правое.
Если Вам нужна техническая консультация по рабочим параметрам и характеристикам или помощь в подборе правильно агрегата « насос СВН-80 с електродвигателем» мы срадостью Вам поможем.