Насос ЦНСк 1-220 насос ЦНС 1-220К-5 с проточной части с нержавеющей стали применяют в зависимости от комплектуемого электродвигателя:
- общепромышленный: масло подсолнечное, рапсовое, вода, брага, пиво, соляные растворы, жидкие удобрения и другие жидкости
- взрывозащищенный: спирты, бензин, пластовая вода с забоя, высокотемпературное масло, керосин, на взрывоопасных производствах
Технические параметры насоса ЦНСк 1-220:
Производительность 1 м3/час
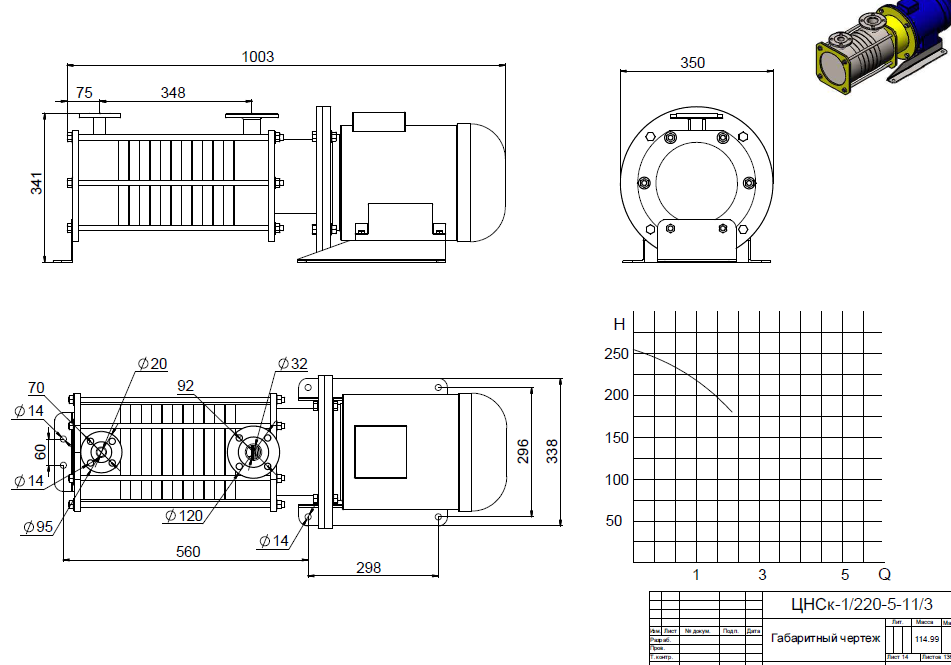
Напор 220 метров
Уплотнение - одинарное торцевое
Рабочая температура до 140 градусов
Вязкость жидкости от 0,161 до 210 СсТ и плотность до 1500 кг/м3
Корпус, рабочее колесо (закрытого типа) вал- нержавейка 12Х18
Патрубки насоса ЦНСк 1-220: вход 32 мм выход 20 мм
Электродвигатель 11 кВт 3000 об/мин
Насос производится в Украине и предоставляется гарантия 12 месяцев
Насос ЦНСк 1-220 производят как в горизонтальном так и в вертикальном исполнении, ниже приведен пример:

Размеры насоса ЦНСК 1-220 в комплектации насоса с электродвигателем

Если вам нужен насоса для масла, спирта, цена насоса ЦНСК 1-220, размеры ЦНСК 1-220, производитель ЦНСк 1-220, помощь в подборе насоса для решения производственной необходимости то мы с радостью Вам поможем.
Также для планового и капитального ремонта насоса ЦНСк 1-220
- рабочие колеса ЦНСк 1-220
- вал
- торцевое уплотнение насоса ЦНСк 1-220
Доставка и отправка насоса ЦНСК 1-220 в Бар, Бахмач, Баштанка, Киев, Харьков, Винница, Валки, Гадяч, Карловка, Городок, Луцк, Львов, Лисичанск, Лозовая, Полтава, Днепр, Ужгород, Николаев, Черноморск, Каменское, Нежин, Ровно, Кропивницкий, Тернополь, Чернигов, Сумы, Хорол, Белая Церковь, Коростень, Хмельницкий и другие города и поселки Украины.