viber

0507590007

0967874849

EMAIL

bestnasos@ukr.net

ВРЕМЯ ПН-ПТ 08:00 - 18:00

РАБОТЫ СБ-ВС 10:00 - 15:00

БЫСТРАЯ ДОСТАВКА

ПО УКРАИНЕ

  • +38 096  787 48 49
  • +38 050 759 00 03
  • +38 067 64 79 735
  • +38 050 759 00 07

Насос ЦНСк 40-120

Производитель: Украина

цена договорная

ТОВАР В НАЛИЧИИ

Насос ЦНСк 40-120
Насос ЦНСк 40-120
Насос ЦНСк 40-120
Насос ЦНСк 40-120

ПОЗВОНИТЕ ДЛЯ ДОСТАВКИ ДЕНЬ В ДЕНЬ

  •  +38 067 647 97 35       
  •  +38 050 759 00 03
  • +38 096 787 48 49
  • +38 050 759 00 07

  • ДОСТАВКА В РЕГИОН ДЕНЬ В ДЕНЬ
  • По Полтаве
  • В регионы на склад грузоперевозчика
  • В регионы адресная доставка
  • ОФИЦИАЛЬНАЯ ГАРАНТИЯ ОТ ПРОИЗВОДИТЕЛЯ
  • Официальная гарантия
  • Обмен/возврат товара в течение 14 дней
  • УДОБНАЯ ФОРМА ОТПЛАТЫ
  • Наличный
  • Безналичный
  • Оплата картой
  • Наложенный платеж
Напишите нам

Насос ЦНСк 40/120 насос ЦНС 40/120 с проточной части с нержавеющей стали применяют в зависимости от комплектуемого электродвигателя:

- общепромышленный: масло подсолнечное, рапсовое, вода, брага,  пиво, соляные растворы, жидкие удобрения и другие жидкости

- взрывозащищенный: спирты, бензин, пластовая вода с забоя, высокотемпературное масло, керосин, на взрывоопасных производствах

Технические параметры насоса ЦНСк 40-120:

Производительность  40 м3/час

Напор  120 метров

Уплотнение  -  одинарное торцевое

Рабочая температура  до 120  градусов

Вязкость жидкости от 0,161 до 210 СсТ и плотность до 1500 кг/м3

Корпус, рабочее колесо (закрытого типа) вал-  нержавейка 12Х18

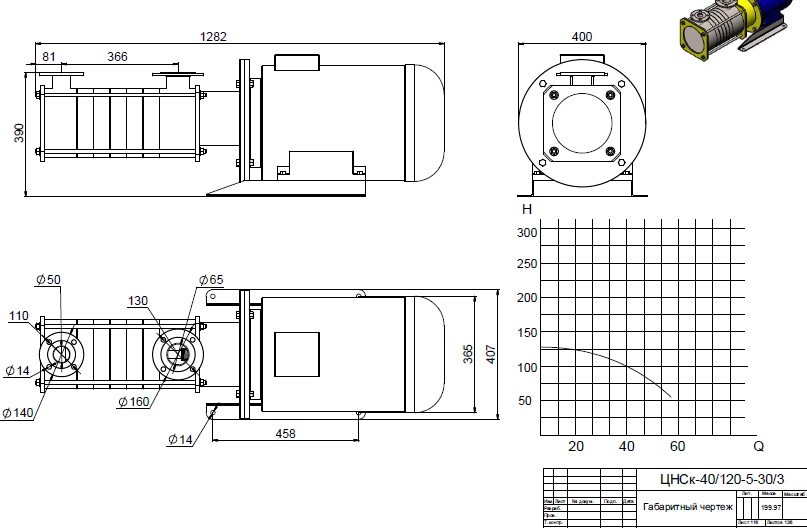
Патрубки насоса ЦНСк 40-120: вход  65 мм выход50 мм

Электродвигатель  37 кВт 3000 об/мин

Насос производится в Украине и предоставляется гарантия 12 месяцев

Насос ЦНСк 40-120 производят как в горизонтальном так и в вертикальном исполнении, ниже приведен пример:

НАСОС цнск положение

Размеры насоса ЦНСК 40-120 в  комплектации насоса с электродвигатель

ЦНС к 40 120

Если вам нужен насоса для масла, спирта, цена насоса ЦНСК 40-120, размеры ЦНСК 40-120, производитель ЦНСк 40-120, помощь в подборе насоса для решения производственной необходимости то мы с радостью Вам поможем.

Также для планового и капитального ремонта насоса ЦНСк 40-120

-  рабочие колеса ЦНСк 40-120

- вал

- торцевое уплотнение насоса ЦНСк 40-120

Доставка и отправка насоса ЦНСК 40-120 в Бар, Бахмач, Баштанка, Киев, Харьков, Винница, Валки, Гадяч, Карловка, Городок, Луцк, Львов, Лисичанск,  Лозовая, Полтава, Днепр, Ужгород, Николаев, Черноморск, Каменское, Нежин, Ровно, Кропивницкий, Тернополь, Чернигов, Сумы, Хорол, Белая Церковь, Коростень, Хмельницкий и другие города и поселки Украины.